地址:中國 江蘇 常州市新北區 漕河路2號 聯系人:蔣先生 手機:18961119333 電話:88931122 傳真:86-0519-83589002 郵箱:-
端面連接板日期:2019/8/12 13:30:37 瀏覽次數:7534 來源:本站

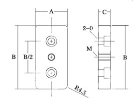
產品名稱:端面連接板
材料:鋁合金
用途:
端面連接板主要用于矩形和大尺寸多孔方形型材在與蹄腳及腳輪等配件連接時,起過渡作用。
訂貨號 Order No.
30X60 BP-EL3060-M10
60X60-8 BP-EL6060-M12
40X80 BP-EL4080-M12
45X90 BP-EL4590-M12
80X80 BP-EL8080-M12
90X90 BP-EL9090-M16
50X100 BP-EL50100-M16
100X100 BP-EL100100-M20




相關標簽
裝配件




常州工業鋁型材配件
hd-10-10
45度支架
135度支架
角鋁
直角支架8080